App ID: FLM-T210017
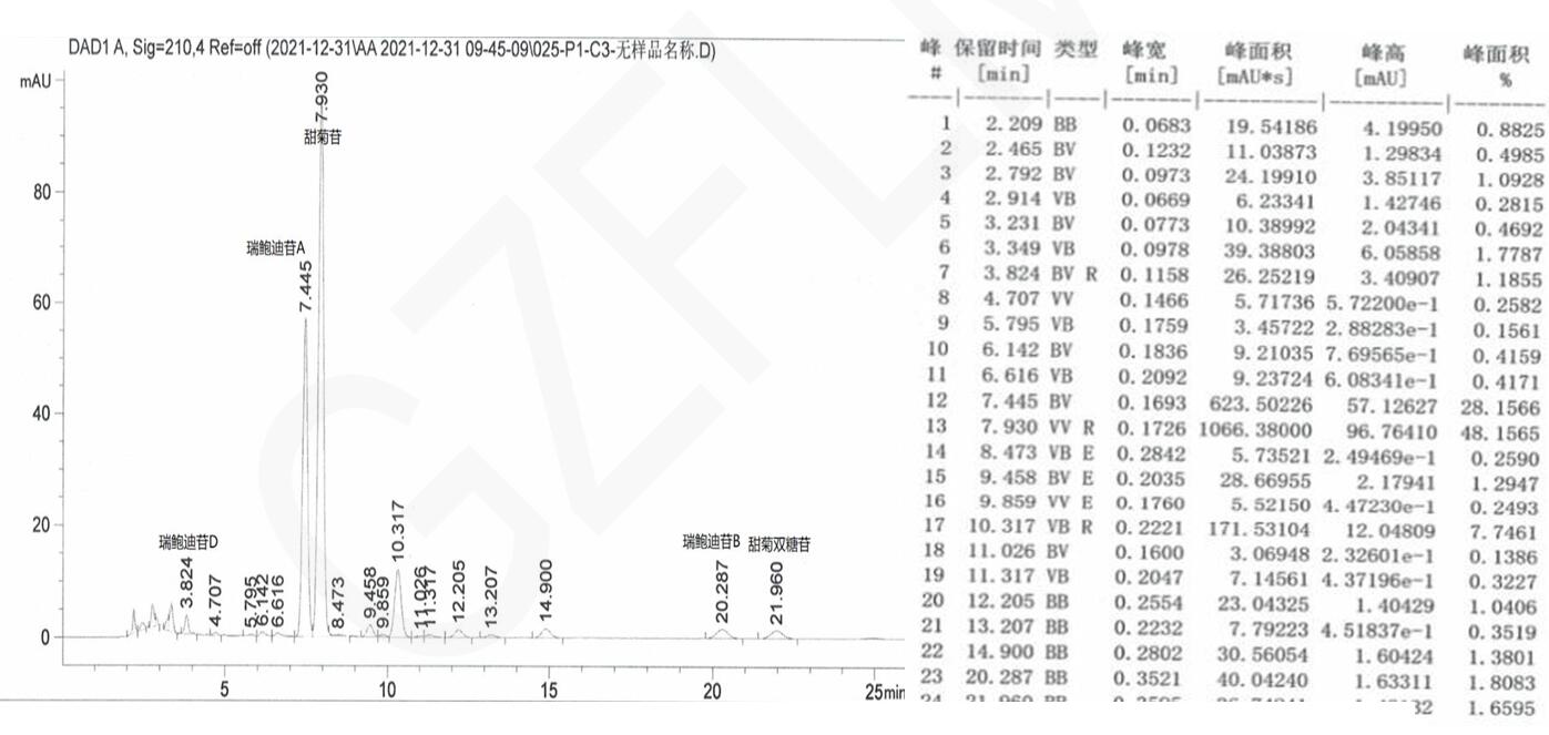
甜菊糖的HPLC檢測
方法:GB 8270-2014
甜菊糖的HPLC檢測色譜柱:Titank C18 5μ 250*4.6mm(貨號:FMG-5560-EONU )
檢測:UV 210nm
柱溫:40℃
流速:1.0ml/min
進樣量:10μL
流動相:乙腈:磷酸鈉緩沖(稱取 1.2g 磷酸二氫鈉,溶于 800mL 水中,用磷酸調節 pH 至 2.6)=30:70
甜菊糖的HPLC檢測客戶評價:發酵蟲草粉是一個比較經典的品種,大多數色譜柱使用超高比例的水相,往往壽命不好 。而本方法中更是使用了 100%水相 ,對比發現 Titank 色譜柱峰型及壽命優于其他品牌色譜柱。最大進樣量下瑞鮑迪苷 A 與甜菊苷分離度 1.67,其余皆滿足分離度要求,若采用 Ttiank C18 3u 250*4.6mm 可獲得更大分離度。
本案例及評價來自山東某知名甜菊糖生產廠家


